Gira draaidimmer universeel LED Standaard 3-60 Watt (245000)
€ 73,74 incl. btw
Beschikbaar via nabestelling
Professioneel advies
Productinformatie
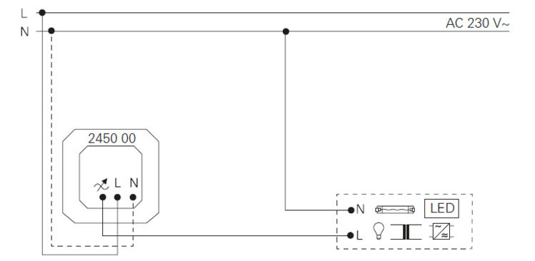
Gira 245000 inbouw draai/druk-dimmer, geschikt voor schakelen en dimmen van:
– gloeilampen, HV-halogeenlampen
– elektronische trafo’s voor halogeen- of LED-lampen
– dimbare inductieve trafo’s voor halogeen- of LED-lampen
– HV-LED- of spaarlampen
Eigenschappen
– Niet geschikt voor wisselschakelingen, niet geschikt voor bediening middels nevenpost/pulsdrukker.
– Montage in apparaatdoos conform DIN 49073.
– Automatische instelling van het bij de belasting passende dimprincipe (faseaan- of faseafsnijding).
– Lampbeschermend inschakelen.
– Inschakellichtsterkte kan permanent worden opgeslagen.
– Inschakelen met de laatst ingestelde lichtsterkte of opgeslagen inschakellichtsterkte.
– Minimale lichtsterkte instelbaar.
– Elektronische kortsluitbeveiliging.
– Elektronische oververhittingsbeveiliging.
– Gebruik met en zonder aansluiting neutrale geleider.
Technische gegevens
Nominale spanning: AC 230 V, 50/60 Hz
Standby: max. 0,35 W
Aansluitvermogen bij 25 °C
– HV-LED-lampen (faseaansnijding): typ. 3 tot 60 W
– HV-LED- lampen (faseafsnijding): typ. 3 tot 60 W
– Spaarlamp: typ. 3 tot 60 W
– Gloeilampen: 20 tot 210 W
– HV-halogeen: 20 tot 210 W
– Gira Tronic-trafo s: 20 tot 210 W
– elektronische trafo met LV-LED: Typ. 20 tot 60 W
– gewikkelde trafo: 20 tot 210 VA
– gewikkelde trafo met LV-LED: typ. 20 tot 60 VA
Kabellengte
– Belasting: max. 100 m
Inbouwdiepte: 24 mm
Omgevingstemperatuur: -5 °C tot +45°C
Aanwijzingen
– In principe is gebruik van de dimmer zonder aansluiting van de neutrale geleider mogelijk. Bij sommige LED- en CFLi-lichtbronnen is ter voorkoming van flikkeringen echter aansluiting van de neutrale geleider vereist.
– Bij gebruik zonder neutrale geleider bedraagt de minimale belasting voor gloeilampen, HV-halogeen, GIRA Tronic-trafo’s en gewikkelde trafo’s 50 W.
– In combinatie met vermogensopvoereenheden geen HV-LED- of spaarlampen aansluiten.
– Elektronische trafo’s en voorschakelapparaten voor LED-lichtbronnen kunnen met de door de fabrikant aangegeven dimprocedure worden gebruikt.
– Bij een hogere omgevingstemperatuur dan 25 °C moet de aangesloten last gereduceerd worden.
Technische specificaties
| Specificatie | Waarde |
|---|---|
| Montagewijze | Inbouw (stucwerk) |
| Samenstelling | Basiselement |
| Bedieningswijze | Draai / drukknop |
| Halogeenvrij | Nee |
| Aansluitwijze | Schroefklem |
| Oppervlaktebescherming | Overig |
| Frequentie | 50 – 60 Hertz (Hz) |
| Kwaliteitsklasse | Overig |
| Type belasting | Universeel en LED retrofit |
| Materiaal | Overig |
| Bevestigingswijze | Klauw- / schroefbevestiging |
| Lichtwaardegeheugen | Ja |
| Ingang voor nevenunit | Nee |
| Seriedimmer | Nee |
| Geschikt voor toepassing met bewegingsmelder | Nee |
| Geschikt voor toepassing met RF-drukker | Nee |
| Geschikt voor toepassing met IR-drukker | Nee |
| Geschikt voor toepassing met aanwezigheidsmelder | Nee |
| Geschikt voor toepassing met drukker | Nee |
| Geschikt voor toepassing met tijdschakelaar/timer | Nee |
| Nom. spanning | 230 – 230 Volt (V) |
| Transparant | Nee |
| Geschikt voor beschermingsgraad (IP) | IP20 |
| Met IFTTT ondersteuning | Nee |
| Dimbaar faseafsnijding | Ja |
| Dimbaar faseaansnijding | Ja |
| App besturing via Bluetooth | Nee |
| Nom. belasting vermogensweerstand | 20 – 210 Watt (W) |
| Nom. belasting inductiestroom | 20 – 210 Voltampère (VA) |
| Nom. belasting capaciteitsvermogen | 3 – 60 Voltampère (VA) |
| Compatible met Apple HomeKit | Nee |
| Compatible met Google Assistant | Nee |
| Compatible met Amazon Alexa | Nee |
| Max. schakelvermogen LED | 120 Watt (W) |
Specificaties
| Merk | Gira |
|---|








